
Das zweite (und vorerst letzte Layout) wurde erheblich erweitert. Zum einen benötigte ich, da ich keinen Surroundreceiver besitze, unbedingt einen Hochpassausgang für die Satelliten bzw. Hauptlautsprecher.
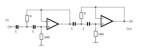
Dieser sieht genau so aus wie das schon beschriebene Subsonicfilter, mit dem Unterschied, dass hier eine Flankensteilheit von 24dB/Okt. erreicht werden sollte. Somit kommen zwei hintereinander geschaltete 12-dB Hochpässe zum Einsatz:

Auch hier arbeite ich logischerweise mit einer Linkwitzcharakteristik, so dass die selben Formeln ihre Gültigkeit haben:

Da die meisten Operationsverstärker einen recht hohen Ausgangswiderstand von typisch 600 Ohm aufweisen, wurde der Ausgang mit einer Leistungsstufe versehen:

Diese single- ended- Stufe ist denkbar einfach aufgebaut und hat sich bei mir in der Praxis bereits in anderen Schaltungen bestens bewährt. Den Widerstand RB habe ich mit 680 Ohm dimensioniert, was einen Ruhestrom von ca. 22mA ergibt - die Stufe läuft im Klasse-A Betrieb. Die Schaltung fand ich übrigens im Internet (siehe Links). Soweit mir bekannt stammt diese Schaltungsvariante von Nelson Pass.
Beim Subwooferausgang kommt keine Treiberstufe zum Einsatz. Da sich zu große Ausgangswiderstände nur im Hochtonbereich bemerkbar machen, wäre hier eine Treiberstufe überflüssig.
Dem Gesamtschaltbild ist zu entnehmen, dass noch einige weitere Schaltungserweiterungen vorgenommen wurden. So wurde der mechanische Grenzfrequenzumschalter des ersten Layouts durch elektronische (IC1, IC6, IC12, IC13, IC16 , IC17) ersetzt. Zum einen weil ich kein Freund mechanischer Umschalter bin - früher oder später machen sie "schlapp" (weil quasi keine Ströme geschaltet werden).
Zum anderen wird's mit mechanischen vom Layout her schwierig. Beim ersten Layout verwendete ich einen mit senkrecht zur Platine stehender Achse. In dem Fall wird's schwer, ein Gehäuse zu konstruieren, da einige Komponenten (Chinchbuchen) seitlich und andere (eben der Umschalter) senkrecht bestückt bzw. bedient werden müssen. Verzichtet man auf die Printchinchbuchsen, so hat man trotzdem noch das Problem, eine recht große Platine direkt hinter einer Frontplatte unterbringen zu müssen, die man ja meist recht schmal gestalten möchte. Sicherlich, es gibt Umschalter mit parallel zur Platinenebene stehender Achse, aber gerade bei diesen Typen wird der Abstand zur (Platinen-)Massefäche immer größer, so dass es hier leicht zu Brummeinstreuungen kommen kann. Selbst der verwendete senkrechte Printschalter bereitete hier schon Probleme, zumal die Umschalter in Schaltungszweigen liegen, in denen kleinste Spannungseinstreuungen hoch verstärkt werden.
Bereits bewährt haben sich bei mir die SSM2402/2412 Typen. Allerdings sind diese recht kostspielig und zudem sind's reine Umschalter. Multiplexer wären in diesem Fall angebrachter. Somit experimentierte ich zum ersten Mal mit (dual-) 4-fach Multiplexern DG409 (oder MAX409) von MAXIM. Sie sind relativ günstig und gut erhältlich, außerdem weisen sie gute Meßwerte auf. Allenfalls der Durchlasswiderstand ist mit typ. 70 Ohm recht hoch, aber dies ist für diese Anwendung nicht relevant - geschaltet werden weitaus höhere Widerstandswerte. Zudem ist die "Kanaltrennung" nicht allzu groß, aber in diesem Fall wird im Prinzip ja immer das selbe Signal geschaltet, von daher ist diese Einschränkung ebenfalls nicht relevant. Als Quellenumschalter z.B. in einem Vorverstärker würde ich diese IC's jedoch nicht einsetzen.
Ein großer Vorteil ist die Flexibilität, die man jetzt beim Umschalten erlangt. Die Bauteile können ohne Rücksicht auf Ergonomie so ins Layout gesetzt werden, daß die elektrischen Verbindungen optimal sind. Geschaltet wird das ganze von einem externen mechanischen Schalter, der aber nur noch Steuerspannungen schalten muß.
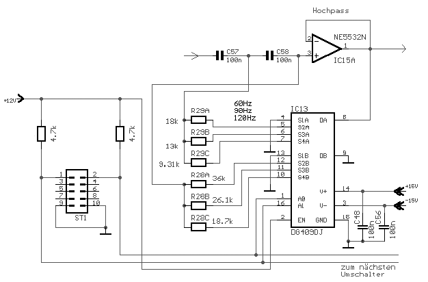
Im Bild ist ein Ausschnitt aus dem Gesamtschaltbild zu sehen:

Es handelt sich um die Umschaltung der ersten Hochpassstufe linker Kanal.
Das Schaltschema lautet wie folgt:

Verwendet werden nur 3 Schaltstufen - S1A bzw. S1B bleiben frei. Da die Eingänge A0 und A1 über die 4.7k Widerstände auf logisch eins liegen, benötigt man lediglich noch eine Umschaltung, die in der ersten Stufe A1 auf null schaltet (60 Hz), in der zweiten Stufe A0 auf null schaltet (90 Hz) und in der dritten Stufe nichts schaltet (= beide auf logisch 1 =>120 Hz).
In der Schaltung kommt noch ein weiterer elektronischer Umschalter (IC 2) zum Einsatz. Hier wird ein MAX 314 verwendet, da dieser ein für den Zweck optimales Schaltschema bietet. Die elektrischen Eigenschaften sind dem des DG409 recht ähnlich, er bietet aber einen geringeren Durchlasswiderstand. Zuständig ist er für die Phasenumschaltung (0° / 180°) und zum Ein- und Ausschalten des Subsonicfilters.
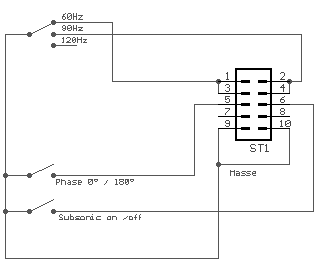
Die Steuereingänge sämtlicher elektronischer Umschalter sind alle über den10-poligen Stecker (St1) zugänglich. Geschaltet wird in meinem Fall mit einer Spannung von 12 Volt. 5 Volt wären natürlich üblicher, da ich aber bereits 12 Volt für die Relais benötige, wird diese Spannung gleich mit genutzt.
Für die externe Beschaltung gibt es zwei Varianten:

Hier wird ein Umschalter für den Linkwitz-Tiefpass und für die Satellitenhochpässe verwendet.
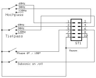
Es geht aber auch anders:

In dem Fall kommen zwei Umschalter zum Einsatz. Es besteht also die Möglichkeit, die Trennfrequenzen unabhängig einzustellen. Bei akuter Baßschwäche in bestimmten bereichen z.B. durch Raumresonanzen hat man die Möglichkeit, Überschneidungen und damit eine Anhebung zu erzeugen. Anders herum ist es möglich, einen zu dicken Baß etwas auszudünnen, indem man die Trennfrequenzen auseinander zieht.
Verwendet man die in der Stückliste angegebenen Drehschalter von Reichelt Elektronik, so wird von den vier unabhängigen Schalteinheiten (A bis D), die der Schalter bietet, nur jeweils eine benutzt.
Die Umschalter arbeiten ganz hervorragend. Ein klangliche Beeinflussung ist nicht hörbar und rauschen tut's auch nicht.
Als weiteres Feature kommt eine Einschaltverzögerung zum Einsatz. Sie besteht im Gesamtschaltbild aus den Bauteilen T3, R23, D5, D6, C45 sowie den Relais K1 bis K3. Die Schaltung habe ich älteren Elektorausgaben entnommen. Die Besonderheit ist hier, dass das Audiosignal im Betrieb nicht über die Relaiskontakte läuft. Lediglich beim Einschalten legen die Relais das Signal gegen Masse. Deswegen kamen auch die Ausgangswiderstände R34, R36 zum Einsatz. Ohne diese Maßnahme wäre der Ausgang nicht kurzschlußfest.
Das Layout wurde so erstellt, dass nicht benötigte Komponenten leicht weggelassen werden können:
Je nach erforderlicher Bestückung müssen die Brücken B1 bis B4 gesetzt werden. Wer die Ausgangstreiberstufen nicht benötigt, muß die Brücken B1bis B4 setzen.
Das Hochpassmodul kann man auch ganz abtrennen. Der Rest läuft ohne Probleme alleine. Zudem kann besteht die Möglichkeit, das Hochpassmodul auch bestückt abzutrennen. Für sämtliche Anschlüsse sind Lötpunkte vorhanden (JP4 bis JP7).
ACHTUNG: BEI VOLLER BESTÜCKUNG DÜRFEN KEINE BRÜCKEN GESETZT WERDEN!!
Gesamtschaltbild (96 kB)
Layoutunterseite (68 kB)
Layoutoberseite (57 kB)
Bestückungsseite (55 kB)
Bestückungsplan und Einbauhinweise (Komplettbestückung)
Bestückungsplan und Einbauhinweise (Bestückung ohne Hochpassteil)
Bestellliste bei Fa. Reichelt Elektronik (Komplettbestückung) zum einfachen Kopieren in eine Mail
E-Mail Reichelt Elektronik : Info@Reichelt.de
Die Platine misst ca. 178 mm x 100 mm